当前位置: 首页> 专利交易> 详情页
    待售中

    防滑机构、汽车用防滑差速器及汽车[ZH]

    专利编号: ZL202503140244

    收藏

    拟转化方式: 其他(具体面议)

    交易价格:面议

    专利类型:发明专利

    法律状态:未缴年费

    技术领域:传动系统

    发布日期:2025-03-14

    发布有效期: 2025-03-14 至 2038-05-29

    专利顾问 — 王老师

    电话咨询

    咨询电话

    13760886304

    专利基本信息
    >
    申请号 CN201810531472.8 公开号 CN108757882A
    申请日 2018-05-29 公开日 2018-11-06
    申请人 东北大学 专利授权日期 2020-09-29
    发明人 宋万里;刁中洋;孙振聪;佟婷婷;王娜 专利权期限届满日 2038-05-29
    申请人地址 110169 辽宁省沈阳市浑南区创新路195号 最新法律状态 未缴年费
    技术领域 传动系统 分类号 F16H48/08
    技术效果 可靠性 有效性 无效(撤回、驳回、全部无效、终止、届满)
    专利代理机构 北京易捷胜知识产权代理事务所(普通合伙) 11613 代理人 韩国胜
    专利技术详情
    >
    01

    专利摘要

    本发明涉及车辆技术领域,尤其涉及一种防滑机构、汽车用防滑差速器及汽车,三者均可以使汽车快捷可控的摆脱打滑困境。防滑机构包括两个行星齿轮、两个侧齿轮、壳体、左右半轴、第一和第二摩擦片、励磁器。壳体与侧齿轮连接,左半轴与壳体连接,右半轴穿过两个侧齿轮伸入壳体中。第一和第二摩擦片位于壳体中并分别连接于壳体和右半轴,二者之间沿右半轴的轴向存在间隙,该间隙中填充有磁流变液,励磁器对第一和第二摩擦片之间的磁流变液施加磁场。汽车用防滑差速器包括上述防滑机构、主动轮和从动轮。汽车包括上述汽车用防滑差速器。
    展开 >
    02

    专利详情

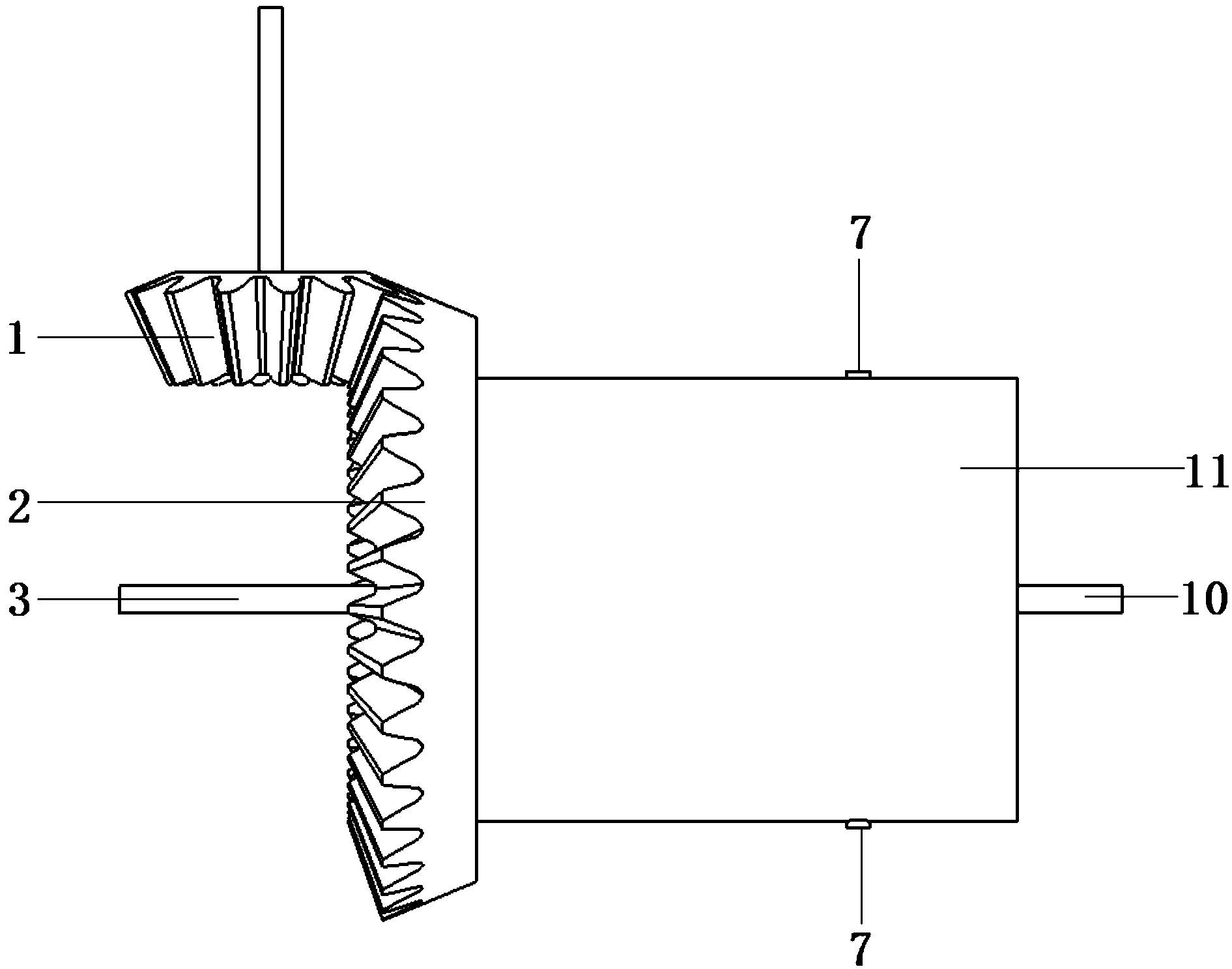
    技术领域 本发明涉及车辆技术领域,尤其涉及一种防滑机构、汽车用防滑差速器及汽车。 背景技术 汽车差速器是能够使左、右(或前、后)驱动轮实现以不同转速转动的机构。普通差 速器可以解决在车辆转弯的时候轮速不同的问题,但当其中一个车轮在打滑情况下,车轮 空转,差速器反而会把传动力矩分配给空转的车轮,车辆就失去了行驶的动力。这时就会需 要调整车轮所受的阻尼力,使得动力分配给路况好的车轮。 不同的防滑差速器,所采用的锁止方式不同,常见的防滑差速器有以下几种:扭力 感应式、螺旋齿轮式、滚珠锁定式、粘性耦合式、机械式和主动式。这些差速器虽然能处理一 些打滑情况,但是都具有阻尼力大小不可调、差速阻尼力控制不精确的问题。 因此,如何对汽车中的防滑差速器进行改进以更快捷可控的摆脱打滑的困境,是 本领域技术人员需要解决的技术问题。 发明内容 (一)要解决的技术问题 本发明提供一种使汽车快捷可控的摆脱打滑困境的防滑机构、汽车用防滑差速器 及汽车。 (二)技术方案 为了达到上述目的,本发明采用的主要技术方案包括: 本发明一方面提供一种汽车用防滑差速器的防滑机构,包括:两个同轴相对设置 的行星齿轮;两个同轴相对设置的侧齿轮,每个侧齿轮均同时与两个行星齿轮啮合,侧齿轮 的轴线与行星齿轮的轴线垂直;壳体,壳体以与侧齿轮同轴转动的方式与侧齿轮连接;用于 分别与汽车左侧车轮和右侧车轮连接的左半轴和右半轴,左半轴与壳体以同轴转动的方式 连接,右半轴穿过两个侧齿轮伸入壳体中,右半轴可转动的支承在位于左侧的侧齿轮上,右 半轴与位于右侧的侧齿轮以同轴转动的方式连接,左半轴和右半轴的轴线重合;位于壳体 中并分别连接于壳体和右半轴的第一摩擦片和第二摩擦片,二者在垂直于右半轴的投影面 中的投影至少部分重叠,二者之间沿右半轴的轴向存在间隙,该间隙中填充有磁流变液;用 于对第一摩擦片和第二摩擦片之间的磁流变液施加磁场的励磁器。 根据本发明,励磁器包括励磁线圈和导线,励磁线圈固定在壳体上且对应于第一 摩擦片和第二摩擦片所在的区域;汽车用防滑差速器还包括隔间,隔间固定在左半轴和壳 体之间,隔间的内部具有空腔,导线经过左半轴穿入隔间的空腔,并经过隔间的侧壁穿出与 励磁线圈连接。 根据本发明,第一摩擦片和第二摩擦片为环状摩擦片。 根据本发明,设置多个第一摩擦片和多个第二摩擦片,第一摩擦片和第二摩擦片 沿右半轴的轴向交替布置。 根据本发明,右半轴通过轴承支承在位于左侧的侧齿轮上;壳体通过螺栓固定在 侧齿轮上。 本发明另一方面提供一种汽车用防滑差速器,包括上述任一项的防滑机构,还包 括相啮合且轴线相垂直的主动轮和从动轮;行星齿轮上同轴连接有转轴,转轴以跟随从动 轮围绕从动轮的轴线转动且可围绕行星齿轮的轴线转动的方式与从动轮连接;左半轴穿过 从动轮且可转动地支承在从动轮上,左半轴和从动轮的轴线重合。 根据本发明,左半轴通过轴承支承在从动轮上。 根据本发明,还包括:套筒,套筒通过螺栓固定在从动轮上,行星齿轮的转轴可转 动的支承在套筒上。 本发明再一方面提供一种汽车,包括上述任一项的汽车用防滑差速器、左侧车轮 和右侧车轮,汽车用防滑差速器的左半轴与左侧车轮连接,右半轴与右侧车轮连接。 (三)有益效果 本发明的有益效果是: 本发明的防滑机构、防滑差速器以及汽车,由于磁流变液响应速度快并且控制精 度高,使得防滑机构、具有该防滑机构的防滑差速器以及具有该防滑差速器的汽车可以方 便快捷地实现防滑作用,快捷可控的摆脱打滑困境。 附图说明 图1为如下具体实施方式提供的防滑差速器的主视图; 图2为图1所示的防滑差速器的剖视图; 图3为图1所示的防滑差速器的俯视图。 【附图标记】 1:主动轮;2:从动轮;3:左半轴;4:导线;5:隔间;6:导线孔;7:转轴;8:行星齿轮; 9:侧齿轮;10:右半轴;11:套筒;12:壳体;13:第一摩擦片;14:第二摩擦片;15:励磁线圈。 具体实施方式 为了更好的解释本发明,以便于理解,下面结合附图,通过具体实施方式,对本发 明作详细描述。 参照图1至图3,本实施例提供一种汽车用防滑差速器,该汽车用防滑差速器包括 主动轮1、从动轮2和防滑机构。主动轮1和从动轮2相啮合且轴线相垂直,防滑机构包括两个 行星齿轮8、两个侧齿轮9、壳体12、左半轴3、右半轴10、第一摩擦片13、第二摩擦片14和励磁 器。 具体地,两个行星齿轮8同轴相对设置,即两个行星齿轮8的轴线相重合。此外,两 个行星齿轮8的轴线与主动轮1的轴线平行。行星齿轮8上同轴连接有转轴7,转轴7以跟随从 动轮2围绕从动轮2的轴线转动且可围绕行星齿轮8的轴线转动的方式与从动轮2连接。在本 实施例中,作为一个实例,从动轮2的右侧通过螺栓固定有套筒11,行星齿轮8位于套筒11 中,行星齿轮8的转轴7通过轴承可转动的支承在套筒11上,由此实现转轴7以跟随从动轮2 围绕从动轮2的轴线转动且可围绕行星齿轮8的轴线转动的方式与从动轮2连接。当然,本发 明不局限于此,连接转7和从动轮2的部件不局限于套筒11,还可是任意形状的行星齿轮架。 具体地,两个侧齿轮9位于套筒11中,两个侧齿轮9同轴相对设置,即两个侧齿轮9 的轴线相重合,侧齿轮9的轴线与行星齿轮8的轴线垂直。其中,两个行星齿轮8位于每个侧 齿轮9的两侧,每个侧齿轮9均同时与两个行星齿轮8啮合,当然,两个侧齿轮9也位于每个行 星齿轮8的两侧,每个行星齿轮8也同时与两个侧齿轮9啮合。 具体地,壳体12位于套筒11中,壳体12以与侧齿轮9同轴转动的方式与侧齿轮9连 接,即壳体12与侧齿轮9相连接,壳体12的轴线和侧齿轮9的轴线重合,且壳体12与侧齿轮9 一同同速转动。在本实施例中,壳体12为右侧敞开的槽体,其右侧敞开的一端与侧齿轮9的 左侧固定连接,优选采用螺栓连接。。 具体地,左半轴3用于与汽车左侧车轮连接,左半轴3的右端伸入套筒11中,左半轴 3与壳体12以同轴转动的方式连接,即左半轴3的轴线与壳体12的轴线重合,进而也是与侧 齿轮9的轴线重合,并且左半轴3和壳体12一同同速转动。在本实施例中,作为一个实例,左 半轴3通过轴承支承在从动轮2上,一隔间5通过螺栓分别与左半轴3和壳体12连接,以固定 在左半轴3和壳体12之间,由此,左半轴3、隔间5和壳体12固定在一起,且三者轴线重合,可 一起同速转动。此外,左半轴3穿过从动轮2且可转动地支承在从动轮2上,例如如本实施例 中,左半轴3通过轴承支承在从动轮2上,左半轴3和从动轮2的轴线重合。 具体地,右半轴10用于与汽车右侧车轮连接,右半轴10穿过两个侧齿轮9伸入壳体 中,右半轴10可转动的支承在左侧的侧齿轮9(即两个侧齿轮9中相对靠近左半轴3的侧齿轮 9)上,右半轴10与位于右侧的侧齿轮9(即两个侧齿轮9中相对远离左半轴3的侧齿轮9)以同 轴转动的方式连接,即右半轴10与位于右侧的侧齿轮9沿同一轴线一起同速转动。在本实施 例中,作为一个实例,右半轴10通过轴承支承在位于左侧的侧齿轮9上,右半轴10与位于右 侧的侧齿轮9固定。进一步,左半轴3和右半轴10的轴线重合。 具体地,第一摩擦片13连接于壳体12(优选第一摩擦片13与壳体12一体成型),与 壳体12一同同速转动。第二摩擦片14连接于右半轴10的左端(优选第二摩擦片14与右半轴 10一体成型),与右半轴10一同同速转动。第一摩擦片13和第二摩擦片14位于壳体中,并且 第一摩擦片13和第二摩擦片14在垂直于右半轴10的投影面中的投影至少部分重叠,并且二 者之间沿右半轴10的轴向存在间隙,该间隙中填充有磁流变液。磁流变液是一种智能流体 材料,它是由高磁导率、低磁滞性所制的软磁颗粒和非导磁性液体混合而成的悬浮体,当无 外加磁场时,其在零磁场作用下表现为低粘度的牛顿流体,在加入磁场作用后,其流体性质 急剧变化,磁流变液的剪切应力可在几毫秒内迅速增加,并且这种变化可逆且易于迅速控 制。 具体地,励磁器用于对第一摩擦片13和第二摩擦片14之间的磁流变液施加磁场。 在本实施例中,励磁器包括励磁线圈15和导线4,励磁线圈15固定在壳体12上且对应于第一 摩擦片13和第二摩擦片14所在的区域,优选地,励磁线圈15缠绕在壳体12的外周面上。隔间 5的内部具有空腔,隔间5的侧壁上设有导线孔6,左半轴3为空心轴,隔间5的空腔与左半轴3 的空心部分连通,导线4经过左半轴3的空心部分穿入隔间5的空腔,并经过隔间5的侧壁上 的导线孔6穿出与励磁线圈15连接。由此,便捷地解决了励磁线圈15的通电问题。 更具体地,在本实施例中,设置多个第一摩擦片13和多个第二摩擦片14,第一摩擦 片13和第二摩擦片14沿右半轴10的轴向交替布置,第一摩擦片13和第二摩擦片14为环状摩 擦片。 此外,可在通过传感器测量左半轴和右半轴的转速,在二者中的一个转速高于另 一个转速一设定值时,控制励磁器通电。 综上,以右半轴10发生打滑现象为例:在右半轴10发生打滑现象时,由于差速原 理,动力会向打滑轴传递,则右半轴10的转速会远远高于左半轴3的转速(可通过传感器检 测左右两个半轴的转速),此时励磁器通电,行星齿轮8带动第二摩擦片14旋转,充满于第一 摩擦片13和第二摩擦片14之间的磁流变液受到励磁器产生的磁场作用产生固化现象,具有 一定的剪切力,第一摩擦片13与第二摩擦片14由于受到剪切力的影响,转速趋于一致,且第 二摩擦片14与右半轴10同速转动,第一摩擦片13与左半轴3通过隔间5连接,为同速转动,因 此右半轴10与左半轴3速度趋于一致,即左半轴3转速升高,右半轴10转速降低,使动力更好 地分配给左右两轴,达到了防滑的目的。 另外,通过改变励磁线圈15中的电流强度或励磁线圈15的个数均可调节减速力的 大小。 由此,由于磁流变液的响应速度快,并且控制精度高,使得本实施例的防滑机构以 及具有该防滑机构的防滑差速器通过对励磁器的通电电流大小的调节可精确控制左半轴 与右半轴之间的转动阻尼力的大小,进而可以方便快捷地实现防滑作用,快捷可控的摆脱 打滑困境。采用旁置式励磁线圈的结构,可以方便实现减速力的多级调节。该差速器结构紧 凑,有效地解决了阻尼力大小不可调,阻尼力控制不精确的问题。 本实施例还提供一种包括上述汽车用防滑差速器的汽车,该汽车还包括左侧车轮 和右侧车轮,汽车用防滑差速器的左半轴与左侧车轮连接,右半轴与右侧车轮连接。该汽车 同样因在车轮差速器中结合了磁流变液技术,能够精确地控制和调节左半轴与右半轴之间 的转动阻尼力大小,进而可以方便快捷地实现防滑作用,快捷可控的摆脱打滑困境。 以上内容仅为本发明的较佳实施例,对于本领域的普通技术人员,依据本发明的 思想,在具体实施方式及应用范围上均会有改变之处,本说明书内容不应理解为对本发明 的限制。 防滑机构、汽车用防滑差速器及汽车
    展开 >
    说明书附图
    >
    交易服务流程
    >

    挑选中意的板块

    ----

    客服确认选择专利的交易信息和价格并支付相应款项

    办理转让材料

    ----

    协助双方准备相应的材料

    签订协议

    ----

    协助卖家签订协议

    办理备案手续

    ----

    买卖双方达成一致后

    交易完成

    ----

    交易完成可投入使用

    过户资料 & 安全保障 & 承诺信息
    >

    过户资料

    买卖双方需提供的资料
    公司 个人
    买家 企业营业执照
    企业组织机构代码证
    身份证
    卖家 企业营业执照
    专利证书原件
    身份证
    专利证书原件
    网站提供 过户后您将获得
    专利代理委托书
    专利权转让协议
    办理文件副本请求书
    发明人变更声明
    专利证书
    手续合格通知书
    专利登记薄副本

    安全保障

    承诺信息

    我方拟转让所持标的项目,通过中国汽车知识产权交易平台公开披露项目信息和组织交易活动,依照公开、公平、公正和诚信的原则作如下承诺:

    1、本次项目交易是我方真实意思表示,项目标的权属清晰,除已披露的事项外,我方对该项目拥有完全的处置权且不存在法律法规禁止或限制交易的情形;
    2、本项目标的中所涉及的处置行为已履行了相应程序,经过有效的内部决策,并获得相应批准;交易标的涉及共有或交易标的上设置有他项权利,已获得相关权利 人同意的有效文件。
    3、我方所提交的信息发布申请及相关材料真实、完整、准确、合法、有效,不存在虚假记载、误导性陈述或重大遗漏;我方同意平台按上述材料内容发布披露信息, 并对披露内容和上述的真实性、完整性、准确性、合法性、有效性承担法律责任;
    4、我方在交易过程中自愿遵守有关法律法规和平台相关交易规则及规定,恪守信息发布公告约定,按照相关要求履行我方义务;
    5、我方已认真考虑本次项目交易行为可能导致的企业经营、行业、市场、政策以及其他不可预计的各项风险因素,愿意自行承担可能存在的一切交易风险;
    6、我方在平台所组织交易期间将不通过其他渠道对标的项目进行交易;
    7、我方将按照平台收费办法及相关交易文件的约定及时、足额支付相关费用,不因与受让方争议或合同解除、终止等原因拒绝、拖延、减少交纳或主张退还相关费用。